Shower Switch Not Working Uk . Signs of a faulty shower switch include: one of the most common reasons that your shower switch isn’t working is a tripped circuit breaker or blown fuse in the home’s electrical system. a shower switch not working is often caused by heat damage to the rear of the switch. if you find the shower stops working completely, or indeed cuts off (very often when you have soap in your hair) this is the culprit. In this project learn all about wiring a pull cord switch for a light or wiring a 45amp pull cord switch for a shower. This often cannot be seen without removal. The shower not turning on. The power pull switch for the shower is stuck in the on position. how do i know if my shower switch is faulty? The pull cord itself might be broken or snapped,. Hi all, hope someone can advise me on this. your shower may not be turning on for due to several reasons. how to wire a pull cord switch for a light or shower.
from www.diynot.com
Signs of a faulty shower switch include: Hi all, hope someone can advise me on this. The power pull switch for the shower is stuck in the on position. The shower not turning on. how do i know if my shower switch is faulty? one of the most common reasons that your shower switch isn’t working is a tripped circuit breaker or blown fuse in the home’s electrical system. a shower switch not working is often caused by heat damage to the rear of the switch. This often cannot be seen without removal. The pull cord itself might be broken or snapped,. In this project learn all about wiring a pull cord switch for a light or wiring a 45amp pull cord switch for a shower.
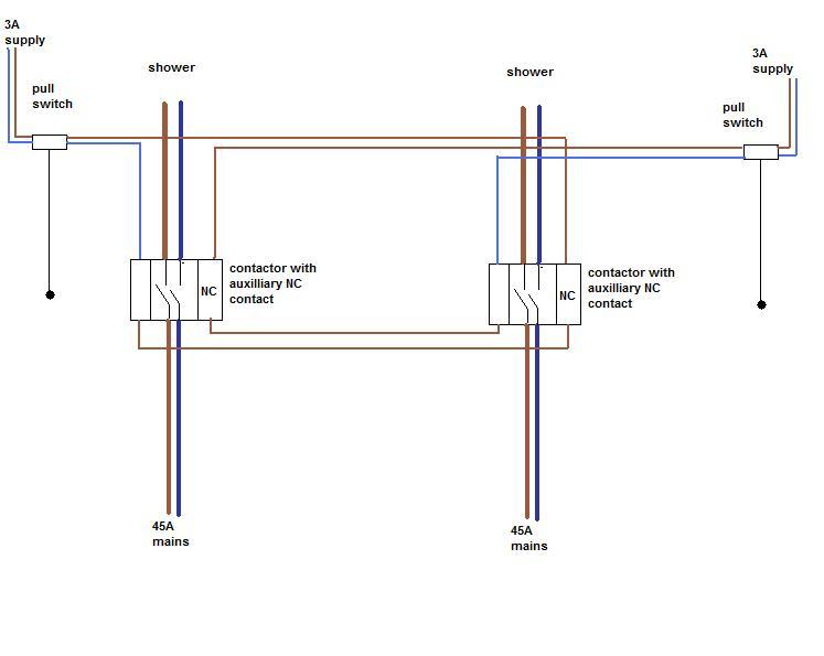
shower wiring question with contactor help!? DIYnot Forums
Shower Switch Not Working Uk This often cannot be seen without removal. your shower may not be turning on for due to several reasons. This often cannot be seen without removal. how do i know if my shower switch is faulty? The shower not turning on. Signs of a faulty shower switch include: The pull cord itself might be broken or snapped,. one of the most common reasons that your shower switch isn’t working is a tripped circuit breaker or blown fuse in the home’s electrical system. In this project learn all about wiring a pull cord switch for a light or wiring a 45amp pull cord switch for a shower. if you find the shower stops working completely, or indeed cuts off (very often when you have soap in your hair) this is the culprit. a shower switch not working is often caused by heat damage to the rear of the switch. The power pull switch for the shower is stuck in the on position. Hi all, hope someone can advise me on this. how to wire a pull cord switch for a light or shower.
From www.youtube.com
Shower Cord Pull Switch not Working / Electric Shower Switch / Right Shower Switch Not Working Uk In this project learn all about wiring a pull cord switch for a light or wiring a 45amp pull cord switch for a shower. This often cannot be seen without removal. how to wire a pull cord switch for a light or shower. a shower switch not working is often caused by heat damage to the rear of. Shower Switch Not Working Uk.
From perfectbathroom.co.uk
How to Fix a Shower Switch Not Working Perfect Bathroom Shower Switch Not Working Uk a shower switch not working is often caused by heat damage to the rear of the switch. how to wire a pull cord switch for a light or shower. The shower not turning on. In this project learn all about wiring a pull cord switch for a light or wiring a 45amp pull cord switch for a shower.. Shower Switch Not Working Uk.
From www.checkatrade.com
Why Is My Electric Shower Not Working? Checkatrade Shower Switch Not Working Uk if you find the shower stops working completely, or indeed cuts off (very often when you have soap in your hair) this is the culprit. how to wire a pull cord switch for a light or shower. one of the most common reasons that your shower switch isn’t working is a tripped circuit breaker or blown fuse. Shower Switch Not Working Uk.
From perfectbathroom.co.uk
How to Fix a Shower Pull Cord Not Working Perfect Bathroom Shower Switch Not Working Uk your shower may not be turning on for due to several reasons. This often cannot be seen without removal. The shower not turning on. a shower switch not working is often caused by heat damage to the rear of the switch. In this project learn all about wiring a pull cord switch for a light or wiring a. Shower Switch Not Working Uk.
From www.beehiveplumbing.com
5 Reasons Your Shower Is Not Working and What to Do About It Plumber Shower Switch Not Working Uk Hi all, hope someone can advise me on this. The power pull switch for the shower is stuck in the on position. The pull cord itself might be broken or snapped,. a shower switch not working is often caused by heat damage to the rear of the switch. if you find the shower stops working completely, or indeed. Shower Switch Not Working Uk.
From www.diynot.com
shower wiring question with contactor help!? DIYnot Forums Shower Switch Not Working Uk Signs of a faulty shower switch include: your shower may not be turning on for due to several reasons. one of the most common reasons that your shower switch isn’t working is a tripped circuit breaker or blown fuse in the home’s electrical system. how do i know if my shower switch is faulty? The power pull. Shower Switch Not Working Uk.
From www.showerstoyou.co.uk
Aqualisa Quartz Digital Exposed Shower with Adjustable Head Gravity Shower Switch Not Working Uk The power pull switch for the shower is stuck in the on position. one of the most common reasons that your shower switch isn’t working is a tripped circuit breaker or blown fuse in the home’s electrical system. Hi all, hope someone can advise me on this. The shower not turning on. The pull cord itself might be broken. Shower Switch Not Working Uk.
From rispa.org
Bathroom Light Pull Cord Not Working Rispa Shower Switch Not Working Uk one of the most common reasons that your shower switch isn’t working is a tripped circuit breaker or blown fuse in the home’s electrical system. a shower switch not working is often caused by heat damage to the rear of the switch. In this project learn all about wiring a pull cord switch for a light or wiring. Shower Switch Not Working Uk.
From www.youtube.com
Tips For Wiring up an Electric Shower Pull Cord YouTube Shower Switch Not Working Uk your shower may not be turning on for due to several reasons. how do i know if my shower switch is faulty? if you find the shower stops working completely, or indeed cuts off (very often when you have soap in your hair) this is the culprit. how to wire a pull cord switch for a. Shower Switch Not Working Uk.
From www.wiringdigital.com
Shower Isolator Switch Wiring Diagram Wiring Digital and Schematic Shower Switch Not Working Uk how do i know if my shower switch is faulty? a shower switch not working is often caused by heat damage to the rear of the switch. Signs of a faulty shower switch include: Hi all, hope someone can advise me on this. how to wire a pull cord switch for a light or shower. This often. Shower Switch Not Working Uk.
From www.youtube.com
Triton AS2000SR Silent Running Power Shower How to install YouTube Shower Switch Not Working Uk Signs of a faulty shower switch include: Hi all, hope someone can advise me on this. The shower not turning on. The pull cord itself might be broken or snapped,. your shower may not be turning on for due to several reasons. This often cannot be seen without removal. The power pull switch for the shower is stuck in. Shower Switch Not Working Uk.
From www.gil-lec.co.uk
MK Logic K5215SHWHI 45amp Double Pole Switch + Neon + 'Shower' GilLec Shower Switch Not Working Uk if you find the shower stops working completely, or indeed cuts off (very often when you have soap in your hair) this is the culprit. one of the most common reasons that your shower switch isn’t working is a tripped circuit breaker or blown fuse in the home’s electrical system. Hi all, hope someone can advise me on. Shower Switch Not Working Uk.
From homearise.com
Shower Pull Cord Not Working AZ Troubleshooting Home Arise Shower Switch Not Working Uk Signs of a faulty shower switch include: how to wire a pull cord switch for a light or shower. one of the most common reasons that your shower switch isn’t working is a tripped circuit breaker or blown fuse in the home’s electrical system. your shower may not be turning on for due to several reasons. The. Shower Switch Not Working Uk.
From perfectbathroom.co.uk
Common Thermostatic Shower Valve Problems and How to Fix Them Perfect Shower Switch Not Working Uk one of the most common reasons that your shower switch isn’t working is a tripped circuit breaker or blown fuse in the home’s electrical system. The power pull switch for the shower is stuck in the on position. The shower not turning on. Hi all, hope someone can advise me on this. how to wire a pull cord. Shower Switch Not Working Uk.
From celindapalumbo.blogspot.com
shower diverter not working when shower turned off Celinda Palumbo Shower Switch Not Working Uk how do i know if my shower switch is faulty? The shower not turning on. if you find the shower stops working completely, or indeed cuts off (very often when you have soap in your hair) this is the culprit. a shower switch not working is often caused by heat damage to the rear of the switch.. Shower Switch Not Working Uk.
From myyachtguardian.com
My Shower Switch Not Working? New Shower Switch Not Working Uk your shower may not be turning on for due to several reasons. one of the most common reasons that your shower switch isn’t working is a tripped circuit breaker or blown fuse in the home’s electrical system. This often cannot be seen without removal. In this project learn all about wiring a pull cord switch for a light. Shower Switch Not Working Uk.
From cslwashrooms.co.uk
CSL Washrooms Wash Basins Taps Cubicles Showers WC's Shower Switch Not Working Uk In this project learn all about wiring a pull cord switch for a light or wiring a 45amp pull cord switch for a shower. Signs of a faulty shower switch include: if you find the shower stops working completely, or indeed cuts off (very often when you have soap in your hair) this is the culprit. The shower not. Shower Switch Not Working Uk.
From wiringdiagram.2bitboer.com
Shower Pull Switch Wiring Diagram Wiring Diagram Shower Switch Not Working Uk The pull cord itself might be broken or snapped,. your shower may not be turning on for due to several reasons. if you find the shower stops working completely, or indeed cuts off (very often when you have soap in your hair) this is the culprit. Hi all, hope someone can advise me on this. In this project. Shower Switch Not Working Uk.